负压风机
管道风机,具有噪音低、风量大、耗电少、结构合理等特点,它的风叶是根据三元流体理论设计,采用优质钢制造的,广泛应用于化工、轻工、民用建筑、高级宾馆、工厂、大型商场等地方。
核心优势
管道风机 三大核心优势
-
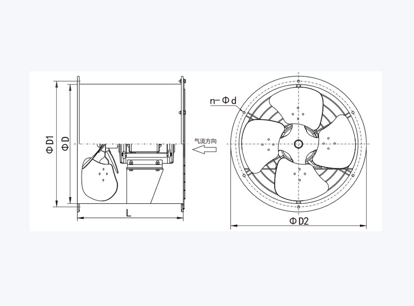
专业风叶设计基于三元流体理论的优质钢制风叶 -
多材质防护铸铁外壳+防护金属网+防腐涂层三重防护机制 -
宽域适用性满足50℃以下非粘性无害气体的输送需求
应用场景
产品在真实环境中的使用情境
